UCP 206
search
  • UCP 206
  • UCP 206
  • UCP 206

UCP 206 Ložiskové teleso

5,90 €

4.80 bez DPH tovar na sklade odošleme v deň objednania

UCP 206 - UCP 206 ložiskový domec + teleso UCP 206

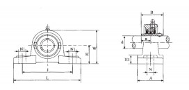
Ložiskové liatinové nerozoberateľné teleso UCP 206 s otvorom 30 mm 

Množstvo
NA SKLADE 60 ks

 

Bezpečný nákup

 

Rýchle dodanie

 

Výmena tovaru

UCP 206 alternatíva - UCP 206 FAG - UCP 206 SNR - UCP 206 NSK - UCP 206 NKE = RASEY 30 INA - UCP 206 NTN = M-UCP 206 D1 NTN - UCP 206 SKF = SY 30 TF SKF

UCP206
60 ks

Tabuľka dát

d - vnútorný priemer (mm)
30