UCP 208
search
  • UCP 208
  • UCP 208
  • UCP 208

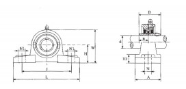
UCP 208 Ložiskové teleso

8,86 €

7.20 bez DPH tovar na sklade odošleme v deň objednania

UCP 208 - UCP 208 ložiskový domec + teleso UCP 208  

Ložiskové liatinové nerozoberateľné teleso UCP 208 s otvorom 40 mm 

Množstvo
NA SKLADE 44 ks

 

Bezpečný nákup

 

Rýchle dodanie

 

Výmena tovaru

UCP 208 alternatíva - UCP 208 FAG - UCP 208 SNR - UCP 208 NSK - UCP 208 NKE = RASEY 40 INA - UCP 208 NTN = M-UCP 208 D1 NTN - UCP 208 SKF = SY 40 TF SKF

UCP208
44 ks

Tabuľka dát

d - vnútorný priemer (mm)
40